電流變送器在發動機熱磨合試驗中的重要作用
關鍵字:開口式電流變送器,電壓變送器,發動機熱磨合實驗設備,蓄電池充放電
引言:
發動機是設備的核心部件,在出廠或者大修之后都要進行一系列的測試,最重要的就是冷磨合實驗和熱磨合實驗,其中以熱磨合實驗最重要也最復雜,本文將介紹熱磨合實驗中電流變送器監測發電機電壓數據以及蓄電池充放電電流的數據。
發動機熱磨合試驗臺 熱磨合實驗中發電機測試簡圖
一.監測電流以及電流變送器原理和特點
在熱磨合實驗中發動機帶動發電機運轉,發電機發出電流輸送到蓄電池給蓄電池充電,并且蓄電池出來的電流又不停的供給其他用電設備。這時不僅僅要測電流的大小而且還要能檢測出電流的方向。以便探知電池是充電還是放電,并且經過控制器在顯示器上顯示出電流數值的多少。
柏艾斯HDIB-C12-200P1O23直流電流變送器可用于檢測發電機到電池,電池到用電設備之間的電流方向及大小。當沒有電流通過時電流變送器輸出模擬量12mA給控制器信號;當充電電流值達到DC200A時電流變送器檢測到正向 DC200A輸出DC4mA的信號;電池給用電設備提供的用電電流值達到DC200A時電流變送器檢測到負向DC200A,輸出DC20mA的信號給控制器,然后由上位控制系統根據輸出模擬量的變化來控制下一步的動作。
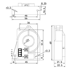
HDIB-C12-200P1O23直流電流變送器 直徑Φ21mm開口式,安裝方便
HDIB-C12-200P1O23直流電流變送器工作原理是被測電流經過傳感器的穿孔,軟磁材料起到聚磁作用,位于氣隙中的霍爾元件能檢測到磁性的大小,并輸出微弱的電壓信號,該微弱的電壓信號經過運算放大器放大后,被調理成標準信號DC4-12-20mA,該輸出電壓信號大小與被測量的電流成線性比例關系。
該系列產品具有很多優勢和特點:測量雙向直流電流,過載能力強,反應速度快,高線性度 ,穿孔開口式、維護方便,量程可達600A。
二.監測電壓以及電壓變送器的原理和特點
發電機給蓄電池充電的時候,發電機的發電電壓不能超過蓄電池電壓太高,所以需要監測發電機發電電壓數值。蓄電池的電壓為DC12V,那么發電機發出的電壓最高不能超過DC16V。柏艾斯GDU1-C51-16P1O1電壓變送器是測量DC0-16V,輸出模擬量電流DC4-20mA的一款監測直流電壓的產品。
GDU1-C51-16P1O1直流電壓變送器,導軌式安裝。
GDU1-C51-16P1O1直流電壓變送器是一種利用光電隔離原理將被測直流電壓轉換成與原邊電壓成比例輸出的直流電流或直流電壓信號的測量模塊,原副邊之間高度絕緣,具有以下優點:
1.采用線性光電隔離技術,實現了高抗干擾能力和高可靠性。
2.DC 0-1000V測量范圍
3.高線性度和精度.
4.集成化程度高,可選擇多種輸出.
5.體積小,牢固可靠,導軌安裝
三.結束語
在發動機熱磨合實驗中尤其是控制電路中還有很多需要檢測電流和電壓的位置.本文只是簡單的介紹一下發電機和蓄電池的電流和電壓監測。在其他的電路中比如:測漏電流、測功率方面還有很大的應用空間,柏艾斯科技用新技術研發適用于各種領域的新產品,以多樣化的產品適用于各個領域為目標,打造電測量品牌的領導者。
上一篇:柏艾斯的產品有沒有創新之處? 下一篇:柏艾斯推出測量微電流的零磁通互感器變送器
- 2020-03-30電加熱行業應如何選用合適的電流傳感器?
- 2020-03-30如何在實驗室簡單實現半波電流的波形?
- 2020-03-27怎樣測量半波整流波形,即脈沖直流電流的有效值大小?
- 2020-01-10LT100-P/SP42是一款什么產品,有沒有替代品?
- 2019-11-12如何判斷閉環霍爾電流傳感器的斷電或斷線狀態?
- 2019-08-02電磁加熱設備(中高頻加熱電源)用什么電流傳感器合適?
責任編輯:柏艾斯編輯部
版權所有:http://www.xm-yzy.com 轉載請注明出處
本文標簽:電流變送器選型 電流變送器型號 電壓傳感器原理
熱點聚焦
24小時定制電話:010-89494921






