LT100-P/SP42是一款什么產品,有沒有替代品?
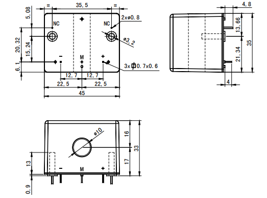
LT100-P/SP4是非常早期的一款產品,是一款基于閉環霍爾原理的電流傳感器,但在溫度特性等方面做了優化。 目前已經停產多年,因為國內用量很小,替代品并不多見。
柏艾斯有全面系列化的霍爾電流傳感器、磁通門電流傳感器等產品,能夠替代LT100-P/SP42的產品是HIA-C08系列,從電氣性能以及引腳兼容性上做到了無差別替代,只為部分國內用戶提供持續的產品供應。
更多創新產品,請登錄www.xm-yzy.com了解,或聯系技術支持,010-89494921,或QQ625291082。
上一篇:如何判斷閉環霍爾電流傳感器的斷電或斷線狀態? 下一篇:怎樣測量半波整流波形,即脈沖直流電流的有效值大小?
【推薦閱讀】
- 2020-03-30電加熱行業應如何選用合適的電流傳感器?
- 2020-03-30如何在實驗室簡單實現半波電流的波形?
- 2020-03-27怎樣測量半波整流波形,即脈沖直流電流的有效值大小?
- 2020-01-10LT100-P/SP42是一款什么產品,有沒有替代品?
- 2019-11-12如何判斷閉環霍爾電流傳感器的斷電或斷線狀態?
- 2019-08-02電磁加熱設備(中高頻加熱電源)用什么電流傳感器合適?
責任編輯:柏艾斯編輯部
版權所有:http://www.xm-yzy.com 轉載請注明出處
本文標簽:電流變送器 電流傳感器 電壓傳感器 電壓變送器 功率變送器 羅氏線圈
熱點聚焦
24小時定制電話:010-89494921






