測DC大電流,沒有大量程傳感器如何分路測量并匯總電流大小?
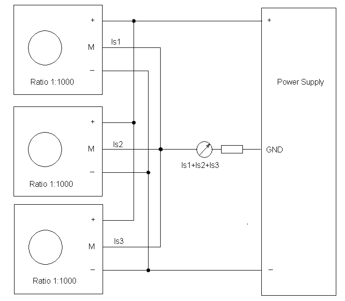
采用同樣匝數比(變比,Ratio)的電流傳感器,分別測量各個分路電流,輸出電流信號Is流過同一個電流表(或負載電阻),其總電流等于三個電流傳感器輸出的總電流,通過公式(Is1+Is2+Is3)* 匝比=原邊被測Ip即可測出總電流。
示意圖如下:
通過實際測試(所測電流為直流電流),可以通過此種方法達到如標題的效果。
但如果所測電流為交流,本試驗并沒有進行詳細測試,并不建議采用此種方案。
上一篇:真有效值電流變送器有沒有兩線制輸出的? 下一篇:如何判斷互感器的匝數是否相同(一致性)?
【推薦閱讀】
- 2020-03-30電加熱行業應如何選用合適的電流傳感器?
- 2020-03-30如何在實驗室簡單實現半波電流的波形?
- 2020-03-27怎樣測量半波整流波形,即脈沖直流電流的有效值大小?
- 2020-01-10LT100-P/SP42是一款什么產品,有沒有替代品?
- 2019-11-12如何判斷閉環霍爾電流傳感器的斷電或斷線狀態?
- 2019-08-02電磁加熱設備(中高頻加熱電源)用什么電流傳感器合適?
責任編輯:柏艾斯編輯部
版權所有:http://www.xm-yzy.com 轉載請注明出處
本文標簽:電流變送器 電流傳感器 電壓傳感器 電壓變送器 功率變送器 羅氏線圈
熱點聚焦
24小時定制電話:010-89494921






